• 1
  • 2
Home - Product >>  YAMAHA SS Feeder Parts >> 12/16MM-88MM BOLT HEX.SH LOW

12/16MM-88MM BOLT HEX.SH LOW

Add date:2015/7/20 14:44:41   Hits:11046
12/16MM-88MM BOLT HEX.SH LOW
Product Name: 12/16MM-88MM BOLT HEX.SH LOW
Part Number: KHJ-MC46T-00
Product Notes: Apply to the Yamaha placement machine SS/ZS models electric intelligent feeders

Product Description

A large number of wholesale paragraphs SS ZS electric feida accessories

Developed YAMAHA YS series SMT machine YSM placement machine feida accessories

YS12/YS24/YS88/YS100/YC8/YSM20/YSM40 Feeder with Parts

SMT industry a large number of wholesale!

Manufacturers selling in wholesale and retail!

European quality, global sharing!

The lowest price in the world!

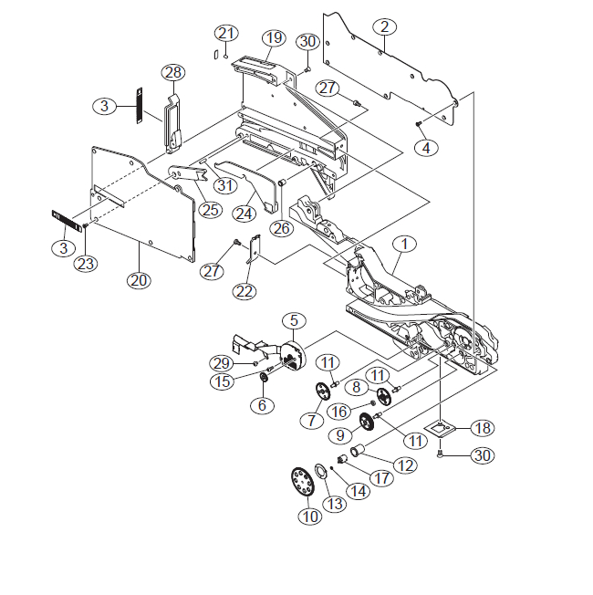
No. Part No. Part Name Q'ty Remarks Change Compati.
1
2 KHJ-MC202-00 COVER,FEEDER SIDE 1 1
3 KHJ-MC20C-00 SEAL,MAIN LABEL 1 *Attention
4 KHJ-MC10E-00 SCREW,FLAT HEXLOBE 11
5 KHJ-MC210-00 MOTOR, FEED 1
5-1 KHJ-MC210-01 MOTOR,FEED 1 (2011/4/13) NG
6 KHJ-MC134-00 GEAR,IDLE F1 1
7 KHJ-MC135-00 GEAR,IDLE F2 1
8 KHJ-MC136-01 GEAR,IDLE F3 1
9 KHJ-MC137-00 GEAR,IDLE F4 1
10 KHJ-MC238-00 GEAR,DRIVEN 1
11
12
13 KHJ-MC23C-00 PLATE,PUSHER GEAR 1
14 KHJ-MC13D-00 SPRING,PUSHER PLATE 3
15 KHJ-MC13F-00 SCREW,STAD 4
16 KHJ-MC13P-00 SPACER,F3 1
17 KHJ-MC23G-000 SHAFT,GEAR DRIVEN 1
18 KHJ-MC206-00 PLATE,UNDER 1
19 KHJ-MC26Y-00 TOP TAPE BOX COMP. 1 With Magnet
20 KHJ-MC262-00 COVER,TOP TAPE BOX 1 Can not be sold
21 KHJ-MC165-00 MAGNET,TAIL 1
22 KHJ-MC266-00 BLOCK,P/O TOOTH 1 1
23 KHJ-MC16J-00 SCREW,FLAT HEAD 11
24 KHJ-MC26L-00 PLATE,GUIDE 1 1
25 KHJ-MC26M-00 PLATE,GUIDE 2 1
26 KHJ-MC26N-00 PLUNGER 1
27 KHJ-MC46T-00 BOLT HEX.S/H LOW 3
28 KHJ-MC26U-00 TAIL COVER ASSY. 1 Can not be sold
29 90166-02JA03 SCREW,PAN HEAD 2
30 98707-03006 SCREW,FLAT HEAD 3
31
32 KHJ-MC26U-S0 PARTS, TAIL COVER 1 *Attention
33 KHJ-MC262-S0 PARTS, BOX COVER 1 *Attention

 

Hits:11046  Add time:2015/7/20 【Print】 【Back】
Copyright © Jiawx.com Shenzhen Jia W X Electronics Co., Ltd..
Address: Address: 3 / F, Building B, No.207, Guangshengde Science park, Fenghuang Xingye Second Road, Fuyong Town, Baoan District, Shenzhen, Guangdong, China   网站建设