ZS 8MM LEVER,TAPE GUIDE F
Add date:2017/8/20 11:36:17 Hits:10299
| Product Name: |
ZS 8MM LEVER,TAPE GUIDE F |
| Part Number: |
KLJ-MC145-00 |
| Product Notes: |
ZS 8MM |
Product Description |

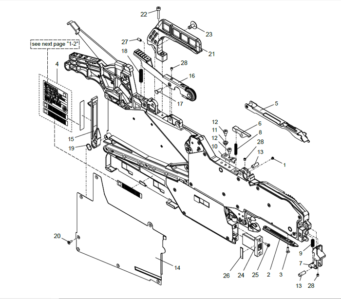
NO Parts_No. Parts_Name Q_ty Remarks Change Compati
1 KLJ-MC10Y-00 SCREW,PAN HEAD 1
2 KHJ-MC104-00 RAIL,UNDER 1
3 KHJ-MC10F-00 SCREW,FLAT HEAD 2
4 KLJ-MC10C-00 SEAL,MAIN LABEL 1 <Note-1>
5 KLJ-MC141-00 TAPE GUIDE 1
6 KHJ-MC144-00 LEVER, TAPE GUIDE R 1
7 KLJ-MC145-00 LEVER,TAPE GUIDE F 1
8 KHJ-MC146-02 SPRING,TAPE GUIDE R 1
9 KHJ-MC147-02 SPRING,TAPE GUIDE F 1
10 KLJ-MC14Y-00 PLATE,STOPPER 1
11 KLJ-MC1H1-00 COLLOR,STOPPER R 1
12 91312-03006 BOLT HEX.SOCKET HEAD 2
13 KHJ-MC15A-00 SHAFT 112 2
14 KLJ-MC162-00 COVER,TOP TAPE BOX 1
15 KLJ-MC163-00 COVER,TAIL 1
16 KHJ-MC16V-02 P/O LEVER ASSY. 1
17 KHJ-MC16B-00 SHAFT,P/O LEVER 2 1
18 KHJ-MC16E-00 SPRING,P/O LEVER 1
19 KLJ-MC1F2-00 WAVE WASHER T.C. 1
20 90990-09J008 SCREW,FLAT HEAD 7
21 KLJ-MC181-00 HANDLE 1
22 91317-03016 BOLT HEX.SOCKET HEAD 1
23 KHJ-MC185-00 PIN,HANDLE 1
24 KHJ-MC1A9-00 CONNECTOR,BOARD 1
25 90166-02JA06 SCREW,PAN HEAD 2
26 KLJ-MC1AM-00 SHIELD,CONNECTOR 1
27 92A08-03306 SCREW,SET 1
28 92A08-03303 SET SCREW M3X3 3
|
|
|
| Hits:10299 Add time:2017/8/20 【Print】 【Back】 |
|