| 
                 ZS 8MM피더 부품,ZS12MM피더 부품,ZS24MM피더 부품 
                Add date:2017/7/31 15:37:42   Hits:8565 
                  
                    
                      
					 
                    
		  
                        
                          | 제품명: | 
                          ZS 8MM피더 부품,ZS12MM피더 부품,ZS24MM피더 부품 | 
                         
						
                          
                          | 부품 번호: | 
                          KLJ-MC1AN-00 | 
                         
                        
                          | 제품 노트: | 
                          ZS 8MM-104MM | 
                         
                     
		   
		  
            
              제품 설명   | 
             
            
              
   
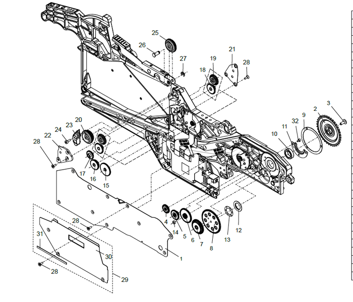
NO Parts_No. Parts_Name Q_ty Remarks Change Compati 
1 KLJ-MC102-00 COVER,FEEDER SIDE 1 1 
2 KLJ-MC131-00 SPROCKET ASSY. 1 
3 KHJ-MC13E-01 SCREW,SLIM HEAD 1 
4 KLJ-MC1E1-00 GEAR,IDLE F1 ASSY. 1 
5 KLJ-MC1E2-00 GEAR,IDLE F2 ASSY. 1 
6 KLJ-MC1E3-00 GEAR,IDLE F3 ASSY. 1 
7 KLJ-MC1E4-00 GEAR,IDLE F4 ASSY. 1 
8 KLJ-MC138-00 GEAR,DRIVEN 1 
9 KHJ-MC13A-00 SHIM,SPROCKET 1 
10 KLJ-MC1E6-00 BEARING 1 
11 KLJ-MC1E7-00 COVER,BEARING 1 
12 KLJ-MC1E8-00 FRANGE,WASHER 1 
13 KLJ-MC1E9-00 WAVE WASHER,D.G. 1 
14 KLJ-MC13P-00 SPACER,F3 1 
15 KHJ-MC151-00 GEAR,IDLE P1 1 
16 KLJ-MC152-00 GEAR,IDLE P2 1 
17 KLJ-MC153-00 GEAR,IDLE P3 1 
18 KHJ-MC154-00 GEAR,IDLE P4 1 
19 KHJ-MC155-00 GEAR,IDLE P5 1 
20 KHJ-MC156-02 ROLLER, P/O 1 1 
21 KHJ-MC158-00 COVER,IDLE GEAR 1 1 
22 KHJ-MC159-00 COVER,IDLE GEAR 2 1 
23 KHJ-MC166-02 BLOCK,P/O TOOTH 1 1 
24 90112-2AJ006 BOLT, HEX.SOCKET HEAD 2 
25 KHJ-MC169-02 ROLLER, P/O 2 1 
26 KHJ-MC16A-00 SHAFT,P/O LEVER 1 1 
27 90440-01J030 CIRCLIP 1 
28 90990-09J008 SCREW,FLAT HEAD 17 
29 KLJ-MC1AN-00 COVER,BOX EL ASSY. 1 
30 KLJ-MC1A2-00 COVER,BOX EL 1 
31 KLJ-MC1AP-00 TAPE,EL COVER 1 
32 90115-02J003 BOLT, HEX. SOCKET HEAD 3
  | 
             
           
		     | 
                     
                    
                       | 
                     
                    
                      | 조회수:8565  입력 시간:2017/7/31 【Print】 【Back】 | 
                     
                  |